특별한 EL84 SE 앰프.. RH84 제작기..
RH84 SE
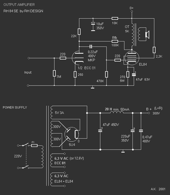
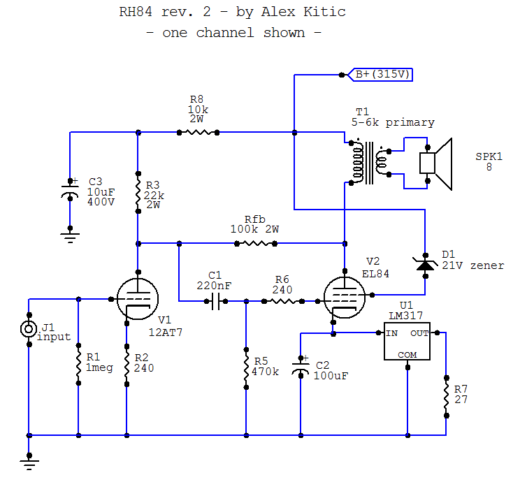
EL84 SE 앰프의 회로도는 인터넷에 넘쳐 흐르도록 많습니다. 그 중에 성능이 괜찮다고 많이 언급되면서도 뭔가 사람들이 언급을 꺼리는 듯한 느낌을 주는 RH84라는 회로도가 눈에 띄었습니다.
Alex Kitic이라는 세르비아 분이 만든 회로인데요, 2001년에 첫 버전이 발표되었었고, 2013년에 rev.2가 나왔습니다. 지금까지도 계속 회자되며 한번 정도는 거쳐볼만한 회로라는 평들이 많습니다. 각각의 버전의 회로도는 아래와 같습니다.


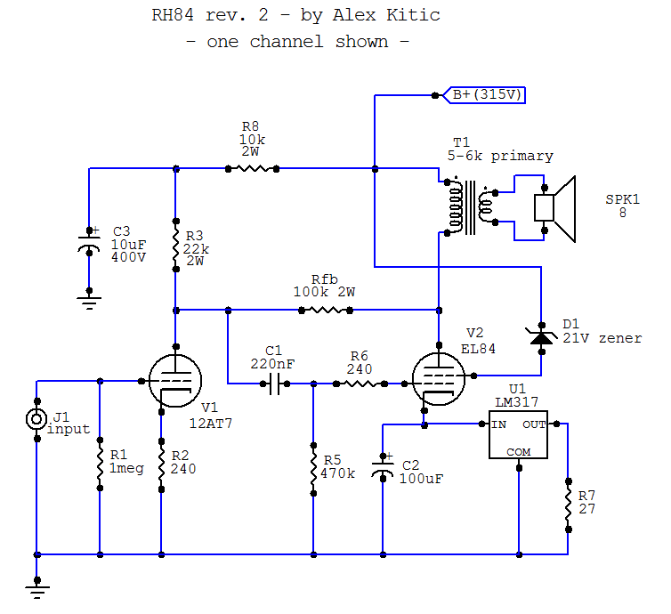
그리 복잡한 회로는 아니지만, 회로도를 보자마자 가장 눈에 띄는 점은 보통의 SE 앰프들처럼 피드백을 트랜스에서 NFB로 걸지 않고 플레이트에서 플레이트로 로컬 피드백을 거는 방식입니다. 게다가, rev 2에는 무슨 제너 다이오드와 레귤레이터까지 쓰인게 보입니다. 헐!
원저자 Alex Kitic에 대해서..
여기 저기 찾아다니며 읽어보니 한가지 재미있는 점은 이 저자분이 회로에 대한 자부심이 지나쳐서 진공관 앰프 관련 온라인 포럼들 (DiyAudio.com , AudioKarma.org 등등)마다 자기 앰프 관련 글이 올라오면 득달같이 달라붙어 답글 달고 비난하는 사람들과 맹렬히 싸운다는 점이었습니다. 게다가 아무래도 세르비아인이다 보니 영어에 능한 편도 아니라 시비조로 들리곤 했나 봅니다. 그래서, 회로에 대한 찬사와는 반대로 이 분 자체는 많은 회원들이 트롤 취급을 하기도 합니다. 어떤 포럼에서는 하도 싸워대니 아예 ban시켜버린 경우도 있고요.
이 분이 주로 지적당하는 지점은 플레이트-플레이트 피드백 방식을 자신의 아이디어라고 우기는 점입니다. RCA의 Schade의 방식이라고 지적하는 글들이 종종 보입니다. 물론 이 양반은 자기 태어나기도 전에 나온건데 내가 어떻게 아냐, 내가 저 회로 만들때 세르비아는 모뎀 쓰던 시절인데 내가 무슨 RCA 메뉴얼을 다운 받아서 배꼈다는거냐, 아뭏튼 요래요래 쓰는건 내가 스스로 생각해낸거다..... 뭐 그러고 있습니다. ㅋㅋㅋㅋ
그리고, 또 하나는 회로상의 부품들의 값이나 구조를 살짝씩 바꿔서 테스트를 시도 해보는 분들의 글에도 나타나 비난을 퍼붓는다는 점입니다. "내 회로는 모든게 완벽한 계산을 통해 만들어진 완전체이니 뭐 하나 바꾸지 말고 그대로 만들고 나서 얘기해라"라는 자세.. ㅋㅋㅋ
회로상의 특징
RH84 rev.2 회로에서 레귤레이터를 사용하는 이유는 캐소드에서 일정한 전류를 끌어내어 흐르도록 하기 위해서라고 합니다. 이렇게 일정하게 전류를 흐르도록 하면 양쪽의 진공관을 매칭할 필요도 없어지고("전류만 똑같이 흐르는거지 소리까지 매칭되는건 아니지 않냐"는 지적도 많음) 진공관의 수명이 다할때까지 안정적으로 일정하게 잘 굴려먹을수 있다 어쩌고 하는 설명이 붙어 있습니다. 전압 레귤레이터인 LM317을 저렇게 배선하면 전류가 1.2/저항값(A) 이렇게 고정되는 커런트 싱크 동작을 합니다. 이 경우엔 27R 저항이 달려 있으니 1.2/27 = 0.044444, 대략 44mA로 일정하게 흐르겠네요.
제너 다이오드를 사용한 이유는 출력 트랜스의 특성에 상관없이 그리드 전압 강하를 안정적으로 깔끔하게 하기 위해서라고.. 자기의 예상과는 다르게 사람들이 사용하는 출력 트랜스가 너무 다양하며 트랜스의 DC 저항값도 다양하기 때문에 어떤 경우엔 그리드 전압이 플레이트 전압보다 높은 경우도 생기고 그래서 그걸 고치려는 목적이다... 그렇게 설명이 되어 있습니다.
암튼, 그래서 호기심도 생기고 해서 RH84의 rev.2를 제작해보기로 했습니다.
배선도
DIY Layout Creator(줄여서 DLC)를 이용해서 대충 배선도를 그려봤습니다. DLC는 처음 써보는데 기능 괜찮네요. 이리저리 부품 배치해보고 배선 방식 다르게도 해보고.. 종이에다가 하던걸 편하게 하니 좋습니다. 회로 시뮬레이션 기능하고도 연동되는거 같은데 거기까지는 안써봤습니다. DLC는 이 링크에서 받으시면 됩니다. (설치 과정에 외국어 파일 부분에서 오류가 나는데 그냥 "무시" 누르고 진행하시면 됩니다.)
http://bancika.github.io/diy-layout-creator/
DIY Layout Creator by bancika
DIYLC is provided free of charge and can be used and redistributed freely. Please note that it takes a lot of time and effort to build, test and maintain it and to interact with the growing community of users. If you find DIYLC useful and want to support f
bancika.github.io
아래의 배선도의 소스 파일은 이겁니다.
이미지 파일로 내보내기 한 배선도입니다. 마음이 삐뚤어져서 그런지 그림도 삐뚤삐뚤..

부품 위치 배정과 샷시 작업
샷시는 해먼드의 13" x 5" x 2"짜리 검정색 철 샷시를 주문했습니다. 33.2 x 12.7 x 5.1 cm로 길쭉한 형태입니다. 가로 길이는 많이들 만드시는 6N2-6P1 키트의 샷시의 폭과 비슷하고, 세로는 3분의 2 정도 되는 작은 샷시입니다.
RH84 홈페이지에 보면 파워 서플라이의 형식을 2가지를 제시해놨습니다. 첫번째는 쵸크를 1개 사용하는 방식이고, 두번째는 쵸크를 무려 2개나 사용하는 초고성능 파워 서플라이입니다. 정류관으로는 5R4를 써보기로 합니다.
http://rh-amps.blogspot.com/2013/02/
RH Amplifiers
rh-amps.blogspot.com
부품들 다 모이기 전까지 빈 샷시 위에서 이래저래 배치해보며 즐거운 인형놀이 시간.. ^^

목공 작업대와 손드릴, 전동드릴, 실톱 등등을 이용해서 구멍을 뚫는데, 동그란 구멍들은 홀쏘 쓰면 뚫기 쉬운데, 트랜스 구멍이나 전원 구멍 같은 네모난 것들은 정말 뚫기 어렵네요. 작은 구멍 여러개 뚫고 실톱으로 썰어 연결하고 줄질 해서 다듬는 방식으로 했는데, 도중에 당 떨어져 쓰러지는 줄.....
그래도 배치를 맘대로 할 수 있고 그래서 힘은 들더라도 샷시 작업의 만족도는 높습니다. 보고 있으면 뿌듯..

삐뚤삐뚤 뚫은 전원 트랜스 구멍은 트랜스를 얹어놓으니 다행히 잘 가려집니다. ^^
진공관 소켓들과 러그들을 고정하고, 쵸크, 출력 트랜스 등등의 위치를 잡아봅니다.

일단 히터 전원만 배선하고 불 켜놓고 음료수 마시며 감상하는 이 시간이 은근 기분이 괜찮습니다. ^^

배치나 배선은 철저히 개발자 편의 위주로.. "입력 들어와서 바로 옆 볼륨 지나 또 바로 옆 초단관으로 들어가고, 바로 아래 출력관 거쳐 밖으로 나간다" 스피커 출력 단자도 출력관 옆에 두려다가 그건 양보, 샷시 뒷쪽으로 옮기기로 했습니다. 전기는 뒤에서 들어와서 스위치와 트랜스와 전원 회로 거쳐서 최단거리 배선이 가능하도록..
샷시 내에서 드러운(?) 전기 흐르는 전선들은 가급적 한쪽으로(빨간색) 몰고, 신호선을 비롯한 깨끗한(?) 전기가 흐르는 전선들(파란색)과는 가급적 만나지 않도록 계획을 했습니다. 계획만.. 하지만 현실은 시궁창.. 작업 하다보니 엉망진창이.. ㅋㅋ

순식간에 완성된 RH84 SE 앰프..
계획 짜고 샷시 구멍 뚫고 다듬고 그런 부분들에 1주일 넘게 시간을 썼는데, 회로가 간단해서 납땜 작업은 허탈하게 반나절도 안걸립니다. 선들 정리를 좀 해야겠는데, 일단은 잘 동작하니 귀찮아서 뚜껑 닫음..

초단관은 차폐를 해주는게 좋다 해서 쉴드 뚜껑 달린 소켓을 써봤는데.. 뚜껑 안닫아도 충분히 조용하네요. 거의 아무런 잡음이 없음.. 볼륨 노브는 그냥 예전에 기타 페달 만들고 할때 쓰던 치킨 헤드 노브가 굴러다녀서 달아봤습니다.

파일럿 램프는 220V용 네온인데, 좀 흐릿한게 분위기 괜찮습니다. 스위치와 파일럿 램프도 역시나 개발자 편의 위주의 배치.. ^^

완성된 모습입니다. 배선들 좀 정리하고 바닥에 고무발 하나 구해다 달아주고, 볼륨 노브 다른걸로 바꿔보고 그 정도만 손대려고 합니다.

감상 및 뒷 이야기..
대충 짧게 영상 찍어봤습니다.
소리는 "크리스탈 클리어"한 전형적인 사랑스런 EL84 SE 앰프 소리입니다. 최고 볼륨에서도 잡음은 전혀 없고요.
포럼들에서의 일반적인 평으로는, 이 RH84 rev.2이 음량은 RH84의 초기 버전보다 아주 약간 작아졌지만 저음이 단단하고 펀치력이 좋아졌다 하는데, 제 느낌으로 딱 그런 비슷한 이미지입니다. 제너 다이오드는 다시 2.2K 저항으로 바꾸는게 낫더란 의견들도 종종 있습니다. 특히 괜찮은 출력 트랜스를 쓰는 경우에는 저항이 더 낫다고 합니다. 저는 저가형 트랜스니 그냥 제너 다이오드..
이 분 블로그에 여러가지 앰프들의 회로들이 올라와 있는데, (심지어 RH300B.. 300B에 레귤레이터 붙여 전류 쪽쪽 빨아먹으며 노인학대ㅋㅋㅋ) 그 중에서 제가 가장 관심이 가는건 "RH Universal v.2 – Totally Universal"이라고 제목이 붙어있는 앰프입니다. 역시나 커런트 싱크, 제너 다이오드, 플레이트 피드백 등등 RH84와 비슷한 회로이고요, 초단관과 출력관을 원하는 조합으로 맘대로(ECC81, ECC83, ECC82, 12BZ7 등등등 + EL34, KT66, 6L6, 6550, KT88, 8417, 7027 등등등) 바꿔 쓸 수 있도록 설계했다는 앰프입니다. 관심 있는 분들 한번 보시길..
http://rh-amps.blogspot.com/2013/05/rh-universal-v2-totally-universal.html
RH Universal v.2 – Totally Universal
The RH Universal is a derivative of the pilot 2 nd generation RH amplifier project – the RH88. When I was working on the 2 nd gener...
rh-amps.blogspot.com
샷시 작업으로 손을 너무 많이 베어서 반창고 투성이지만, 불 꺼진 사무실에서 진공관 불명하며 음악 들으니 뿌듯합니다. ^^
