마그나복스 8600 기반의 EL84 SE 앰프 제작

마그나복스(Magnavox) 전축
50~60년대에 마그나복스사의 콘솔(==전축?)이 미국 가정들에 굉장히 많이 보급되었다고 합니다.
모델별로 튜너, 턴테이블 등의 조합과 다양한 스피커 구성 등등 저가에서 고가까지 다양한 제품군과 특유의 뽀대(?)로 큰 인기를 끌어 정말 날개 돋힌 듯 팔려 나갔다고 합니다.

아래는 1959년의 Magnavox 광고 팜플렛..
https://www.youtube.com/watch?v=8Mzj32hQQFQ
이들 제품들의 공통점이라면 역시 모두 앰프가 필요하다는 점이라, 진공관 앰프 모듈이 하나나 두개씩은 꼭 들어가 있습니다. 당시 Magnavox의 제품들에는 진공관 앰프 모듈도 푸쉬풀, 싱글 등등 다양하게 여러가지 종류가 쓰였다는데(1950년대는 진공관 기술의 정점이던 시절), 그 중 대중적으로 가장 많이 팔린 저가의 모델들에 들어 있던 8600시리즈 앰프 모듈들이 의외의 알찬 구성으로 진공관 앰프 매니아들의 복원 작업에 많이 쓰였더랬습니다.
8600 앰프와 원본 회로
아래의 사진에 보이는 앰프가 전형적인 8600 시리즈 앰프입니다. 보시다시피 샤시의 크기가 굉장히 작습니다만 구성이 알찹니다. 6EU7 초단관(12AX7유사관. 핀배치 다름), 6BQ5 출력관(==EL84), 6CA4 정류관(==EZ34), 전원 트랜스, 출력 트랜스 2개, 캔 형태의 복합 평활 콘덴서. 전형적이면서도 지금 봐도 훌륭한 EL84 싱글 앰프의 구성을 가지고 있습니다. 이 앰프는 미국 전역 동네마다 정말 널려 있다는 표현 그대로 너무 많이 널려 있어 저렴한 가격에 구해서(혹은 줏어서) 개조를 하거나 새 앰프를 만드는 기반으로 사용하는 경우가 많다고 합니다.
이 앰프의 특징은 표준적인 싱글 엔디드 앰프 회로라는 점도 있지만, 비용 절감을 위해 쵸크를 쓰지 않았다는 점, 트랜스 앞쪽에 보시면 튜너 등 다른 기기에 전력을 공급하기 위한 커다란 커넥터가 달려 있는 점 등등입니다. 즉, 앰프 겸 파워 서플라이로 쓰였다는 겁니다.
휴즈같이 생긴 형식의 파일럿 램프를 꽂을 수 있는 슬롯이 뒷쪽에 있고요, 입력잭은 RCA, 스피커 단자는 그냥 넙적단자 같은걸로 연결해서 쓰게 되어 있습니다. 전원은 별도의 인렛을 안쓰고 플러그에서 바로 트랜스까지 퉁으로 전선이 연결이 되어 있고요.. 여러모로 간단하고 귀여운 구성입니다. Magnavox를 줄여서 매기(Maggy, Maggie)라는 애칭으로도 많이 불립니다.

오리지날 8600 앰프의 내부 작업 상태. 지금의 기준으로 보면 엉망으로 보이지만, 당시에는 다 저랬죠. 가만 살펴보면 대부분의 배선은 천조각(?) 느낌 나는 푸쉬백 전선 같은걸 이용한것 같은데, B+전원 등 전원 관련된 부분들은 현대적(?)인 비닐선 같은걸로 작업된게 보입니다. ^^

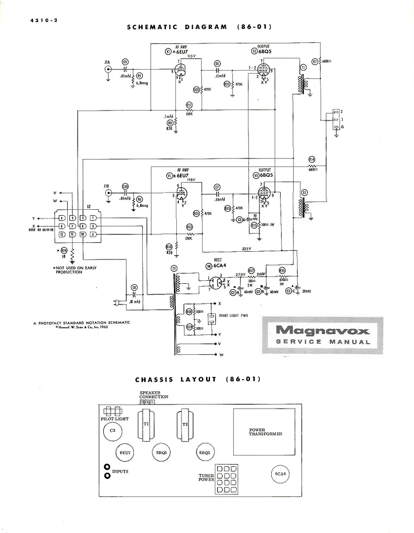
아래는 1960년 8601 모델의 회로도.. 입력단의 캐패시터나 6.8M옴 짜리 저항이 뭔가 심상치 않아 보입니다. ^^ NFB는 원래 톤 조정 회로가 붙어 있는 경우도 있고 아닌 경우도 있고, 나중에 일부러 떼어낸 경우도 있다고 하는데, 이 버전은 저항 하나 덜렁 달려 있는걸 보니 톤 관련 회로가 떼어져서 제조된 상태의 회로도인 것 같습니다.

이 앰프의 소리는 전형적인 빈티지한 중음 위주의 음색인데다가, 이 작은 전원 트랜스로 튜너에까지 전력을 공급(회로도 상의 트랜스의 x, y, v, w가 튜너와 나눠쓰는 선들로 보입니다. x,y는 히터선인것 같은데 이것도 나눠쓰네요)해줘야 하기 때문에 앰프 자체에서는 생각보다 적은 전력만 사용하도록 설계를 해놔서 출력도 작습니다. 게다가 트랜스나 부품들이나 앰프 자체에 대한 정확한 스펙이 없고 제작 연도에 따라 그때그때 굉장히 많은 변화가 있다는 점도 난점입니다. 다만, 공통적으로 스피커의 출력은 4옴인 것으로 추정됩니다.
Dave G의 8600 개조 프로젝트
일반적으로 많이들 행하는 개조 사항은 NFB 부분을 저항만 남기고 캐패시터 등을 떼어낸다던가(위의 회로도에는 이미 떼어져 있는 상태임), 진공관들의 바이어스 전압을 조절하던가 하는 단순한 방식의 개조가 주로 성행했었고요(의외로 효과들은 괜찮았다고 합니다). 그러던 2015년의 어느 날, AudioKarma.org 사이트의 유명한 guru인 Dave G(ID는 dcgillespie)라는 분이 본격적으로 8600 앰프를 개조하는 프로젝트를 시작하게 됩니다. 게시물의 제목은 "Magnavox Flea Power: Getting More Out Of The 8600 Series - A Lot More!"
아래 주소에 게시물이 있는데, 70여 페이지에 달하는 중에 중요한 내용은 앞쪽 15페이지까지입니다. 1W쯤 되면 클리핑이 나기 시작하는 오리지날 8604 앰프를 시작점으로 해서 임피던스 매칭, 피드백 회로 개선, 출력부 개조 등등의 과정을 거쳐, 그리 많은 부품들을 교체하지도 않고서 EL84 싱글의 끝판왕급 앰프로 개조를 해냅니다. 회원들이 "DGSE-1"이라고 이름을 붙여주고, 너도 나도 8600을 구해서 개조를 하기도 하고, 저처럼 아예 새로 제작을 하기도 하는 인기 있는 EL84 SE 회로가 됩니다. 시간 여유를 가지고 쓰레드를 찬찬히 살펴보시면 다른 회원들의 질문이나 제안, 그에 대한 Dave의 답변과 피드백 등등 꽤나 건설적이고 재미납니다. 이 게시물 이후로 마그나복스 8600 앰프의 중고가가 뛰기 시작했다고 합니다.
Audiokarma Home Audio Stereo Discussion Forums
Home stereo and general audio discussion forums.
audiokarma.org
결국 최종 확정된 회로도는 아래와 같습니다. (12AX7의 핀번호는 제가 추가했습니다) 보시다시피 회로 자체는 그리 특별할 것 없는 일반적인 싱글 엔디드 앰프의 회로입니다.
대충 눈에 띄는 특징이라면 출력부에 Zobel 네트웍을 구성해서 안정성을 높혔다는 점,
초단관을 고정 바이어스 비슷한 방식으로 구동시키는 부분이 좀 특이하다면 특이하고요. 회로도상 착각하기 쉬운데, 150k와 820R가 만나는 부분이 그냥 지나치는게 아니고 붙어있는겁니다.(==굵은 점) 255V와 150K, 820R의 조합만 기준으로 보면 (255*820) / (150000 + 820) 대략 1.36V 정도가 12AX7의 캐소드에 안정적으로 인가하는 셈이라, 일종의 가상 고정 바이어스를 구현하는 방식입니다.
그리고, 출력관의 바이어스 조절을 위한 포텐셔 미터가 붙어 있습니다. 120R 저항에 5.85V가 되도록 조정하라는건데, 케소드 저항에 흐르는 전류를 대략 48.75mA 정도로 맞추는거네요. 이건 지난번 만들었던 RH84에서 LM317 커런트 싱크 회로로 고정시킨 44mA와 일맥상통합니다. 그래서 포럼에도 차라리 RH84처럼 레귤레이터를 이용하면 어떠냐는 말들도 많은데, 그에 대한 Dave 선생의 재미난 답변이 달려있습니다. 직접 찾아보시길.. ^^

샤시 가공
암튼, 그래서 흥미가 생겨서 Dave 선생이 개조하신 회로를 이용해서 DGSE-1을 하나 만들어 보기로 했습니다.
앰프 제작의 시작은 역시 샤시 가공이죠.
해먼드의 10" x 6" x 2" 짜리 알루미늄 샤시를 구매했습니다. 25.4 X 15.2 X 5.0 cm 의 작은 샤시입니다. 아무래도 8600 앰프 원본이 작은 크기라서 저도 비슷한 크기로 만들고 싶어졌습니다. 그래도 8600보다는 조금 큽니다.
대략 위치를 잡고..

필요한 구멍들을 뚫고.. 아무래도 철 샤시보다는 알루미늄이 가공이 편리합니다. 뭐 거의 칼로도 깎을수 있을거 같은 느낌..

예전에 만들었던 기타 페달들에서 떼어낸 손잡이들이 굴러다니는데, 이것들도 한번 달아보기로 했습니다.

낡은 앰프를 따라 제작하는데 샤시가 지나치게 너무 번쩍거리는 것 같아 여기저기 좀 드럽게(?) 만들어봅니다. 드릴과 홀쏘, 줄, 그라인더 등으로 샤시를 마구 드럽게 긁어내봅니다.
그러나, 드러워지지는 않고 긁은 부분은 오히려 더 빛이 남.. ㅋㅋㅋ
뭐 어쨌든 한번 가조립을 해봅니다.

우측은 10여년전에 만든 기타 페달인데, 역시 해먼드의 알루미늄 케이스를 쓴건데 이것과 좀 비슷하게 낡아 보였으면 하는 바램이 들었습니다.

그래서, 잠시 찾아보니 알루미늄을 낡게 만드는 방법은 무슨 철가루 같은게 들어있는 비싼 금속 페인트로 도색한 후 녹슬게 하는 방법과 알루미늄 자체를 산화시키는 방법이 있다고 하네요. 아무래도 뜨거운 온도로 동작하는 진공관 앰프라서 도색은 좀 안좋을것 같아 자연스럽게 산화를 시켜보도록 합니다.
위의 영상을 보면 옥시크린과 같은 산소계 세제와 알루미늄 호일, 찬물 등을 이용하여 알루미늄을 낡게 만들 수 있는 방법이 소개되어 있어서 한번 준비해서 따라해봤습니다. 식초는 마지막 세척용..

옥시크린 뿌리고, 알루미늄 호일을 마구 구겨 바닥에 깔고(랜덤한 무늬를 주기 위함), 또 옥시크린 뿌리고, 물 붓고, 옥시크린 뿌리고, 흔들어주고(흔들린 자국이 남음), 또 뿌리고.. 24시간 두었습니다.

원하던 만큼은 아니지만, 그래도 많이 낡아졌습니다. 호일 덕분에 랜덤하게 드러운 때 무늬도 생겼구요..
여전히 긁은 부위가 빛이 안죽은 곳이 많아서 한 1주일 그대로 둘껄 하는 후회가 조금 들기는 하지만.. 어쨌든 처음보다는 낫습니다. (애당초 그라인더로 긁지를 말것을^^)

어설픈 스팀펑크
군용 혹은 소련산 빈티지 소켓, 흉직하게 생긴 진공관 쉴드와 튜브 리테이너 등등등을 사다가 스팀펑크하게 꾸며봅니다. (좌측의 스팀펑크 달팽이가 모델)
닉시 튜브 시계를 (알리에 기판을 팝니다) 하나 달아봤습니다. 구멍의 테두리는 랜선 껍질 짤라서 고온용 에폭시로 붙여 일부러 엉망으로 드럽게 마무리 함.. 그런데 작업하다가 제일 좌측의 닉시 튜브가 깨졌습니다. ^^ 새로 주문을 했는데, 나중에 보니 셀러가 우크라이나 분입니다. 보냈다는데 두달 동안 안옵니다. 포화를 뚫고 언젠간 오겠죠.

회로 제작
회로는 너무 간단해서 딱히 어려울게 없습니다. 게다가 누군가 아래처럼 주요 부품 배선도를 올려놔주셔서 일단 이것만 만들어 놓으면 앰프 절반은 그냥 완성입니다.

이렇게 주요 부품들은 모두 해결이 되고, 남은 것들은 출력관 캐소드쪽 배선들과 입력, 출력 부분 정도입니다. 아.. 물론 전원부도 있고요.

DLC로 대충 그렸는데, 전원 트랜스는 중국산 키트에 들어있던건데 굴러다니던 230V짜리를 사용했고, 출력 트랜스는 Dave 선생이 기존 8600에 달려있던 트랜스와 동일한 크기와 스펙이라며 추천하신 P-T31을 사용했었는데, 나중에 Edcor의 XSE10-5K로 교체했습니다. 조금 더 덩치가 크지만, 제 샤시가 8600 오리지날 보다는 조금 더 크고 그래서 여유가 있고 그래서 딱 장착이 됩니다. 10W 짜리라서 그런건지 Edcor라 그런건지 음질은 P-T31보다 Edcor가 훨씬 좋습니다. 누구나 듣자마자 바로 알아차릴 수 있을만큼의 차이를 보여줍니다.

아래에 설명을 하겠지만, 4개의 진공관에 대해 문제가 생긴 진공관 소켓들을 각각 여러번씩 갈아치우느라 배선 붙였다 떼었다 여러번씩 해서 배선이 엉망입니다. (소켓을 4 X 5 = 20개 정도 갈아끼운 듯.. ㅠ_ㅠ) 암튼 소켓 가느라 지쳐서 아직은 배선정리 따위는 할 마음의 여유가 없습니다.. 소리 멋지게 잘 나고 험도 전혀 없으니 그냥 뚜껑 덮고 못 박음. 이 앰프로 음악 들을 생각하면 즐겁습니다. 뚜껑 따위는 열고싶지 않아요. ^^

캐소드 바이어스 측정기
한가지 빼먹은 이야기가 있네요. 바이어스 측정에 대한..
바이어스 전압 측정을 위해 테스팅 단자를 달아서 멀티 미터로 측정을 하는 경우가 대부분인데(오리지날 8600에서는 샷시 뒤쪽의 파일럿 램프 단자를 바이어스 측정 단자로 개조하고 샤시 앞면의 빈 구멍에 바이어스 조정 팟을 다는 작업을 많이들 하십니다) 저는 전압계를 하나 달아주면 재미있을것 같아서 ebay에서 좀 빈티지한 Sterling 전압계를 하나 구했습니다. 1920년쯤에 생산된 10V까지 측정 가능한 물건입니다.

근데 동작을 잘 안하네요. 어쩐지 4만원대에 싸게 팔더라니.. 5볼트를 넘어가면 바늘이 저 위치에서 위로도 아래로도 잘 안움직여서 때려줘야 합니다. 5볼트보다 낮은 전압에서의 정확도도 뭐 그다지 논할 가치가 없을 수준이고요.. 100년 전 물건이니 당연한거겠지만요..
한번 뜯어서 정비를 해줘야 할 것 같은데, 부서질까봐 엄두가 잘 안납니다. 나중에 시간 나면 차차 해보기로..

이 전압계를 달아서 대충 아래와 같은 그림이 되길 생각했는데.. 아쉽지만 포기..
아래 사진에 Edcor 트랜스로 교체한 점, 구형 군용 진공관 소켓들을 뽑아버리고 모두 새 소켓으로 교체한게 보입니다. 역시 스위치나 소켓 등 접점이 있는 부품들은 헌거 쓰는거 아닙니다. 모양 멋지고 싸게 대량으로 많이 팔길래 여러 종류를 잔뜩 사다가 썼었는데 사용한 모든 소켓들이 거의 전부 문제를 일으켰습니다. 계속 소리가 나다가 말다가.. 건드리면 나다가 안건드리면 안나다가.. DeoxIT으로 접점들 빡빡 닦고 모양 제대로 잡고 아무리 해봐도 소용 없습니다.
심지어 멀쩡하던 초단관 하나가 죽었는데, 소켓 때문인것 같습니다. 다리들의 접촉이 붙었다 떨어졌다 하다가 어느 순간 맛이 가 있네요. 다른 앰프에 꽂아보니 동작 안하는걸 보니 확실히 망가졌습니다. 그놈의 고물 소켓 때문에... ㅠ_ㅠ 역시 소켓은 새거 쓰는게 좋습니다.

암튼, Sterling 전압계를 쓸 수 없어서 대안을 찾다가 그냥 알리에서 작은 LED 전압계 사다가 달았습니다. 1P3T 토글 스위치를 달아 좌측-OFF-우측 출력관 선택을 하면 해당 전압이 표시되도록 멋대가리 없는 LED 전압계를 대신 달았습니다. 조그만 크기는 마음에 듭니다. 우측엔 바이어스 조정용 50옴 팟 2개가 보이는데 내부 사정(?)때문에 살짝 삐뚤게 설치가 되었습니다.

권장 전압인 5.85볼트로 맞추는게 별로 크게 어렵지는 않습니다. 앞서 적었듯이 케소드의 120R 저항에 5.85V가 걸리도록 조정하면 120/5.85 = 0.04875이니 케소드 전류가 48.75mA가 흐르게 됩니다. (물론 저 1달라 짜리 전압계가 아주 정확할리는 없습니다^^)

사운드
소리.. 정말 좋습니다. 역시나 전형적인 EL84 SE 앰프의 예쁜 소리..
EL84로 만든 싱글 앰프들은 각각 특징이 있으면서도 공통적으로 멋지고 음악적인 소리를 내주는것 같습니다.
RH84 앰프가 다소 정제된 느낌의 예쁜 소리를 내준다면, DGSE-1은 온몸의 힘을 쥐어 짜내 헉헉대며 더 멋진 소리를 내려 노력하는 느낌입니다. 두 앰프의 성격(?)이 거의 정반대라는 느낌입니다.
둘 중 하나만 고르라고 하면.. 고민이 좀 될 것 같습니다만, 지금은 DGSE-1가 더 애정이 갑니다.
진공관 불멍 + 닉시 클럭 불멍.. 이곳 저곳을 매일 조금씩 더 더럽히는(?) 재미.. 거기다 너무너무 아름다운 소리..

덧) 마그나복스 이외에도 다양한 콘솔 앰프들의 재활용 작업에 대한 영상들이 많습니다. 특히 Blueglow Electronics의 영상을 보고 있으면 재미납니다.
https://youtu.be/dCsHe8X5CKM
그러고 보니 저도 별표 전축이나 독수리표 전축 하나 구해다 이런 회생작업 좀 해보고 싶네요.

덧덧) 쓰레드의 글들 중에 Dave G가 직접 쓴 글들만 따로 읽어보며 8600 회로의 변화과정을 살펴보는 것도 재미납니다.
Magnavox Flea Power: Getting More Out Of The 8600 Series - A Lot More!
Impedance Mismatch: The Big Elephant In The Middle Of the Room
Feedback and Stability
The Output Stages And Other Relevant Issues
Output Stage Modifications -- Pt 1
Output Stage Modifications -- Pt 2
Schematic and Final Comments
Epilog
Updated Schematic