마그나복스 8600 기반의 EL84 SE 최적화 과정 (1/2)
Magnavox 8600
앞서 제작했던 ( https://youlsa.com/195 ) DGSE-1 앰프 회로의 원저자인 Dave G가 마그나복스 8600(aka Maggy / Maggie)앰프를 최적화 해가는 과정을 AudioKarma.org에 게시한 글들을 요약해서 정리해봤습니다.
Dave G가 1950~1960년대에 제작된 마그나복스의 8600모델 6BQ5(EL84) SE 앰프 모듈을 가져다 한곳 한곳 진단하고 최적화하고 수정해가면서 과정을 기록한 글이라 여러모로 재미납니다. 경험 많은 노 엔지니어가 어떻게 문제를 진단하고 해결해가는지를 자세히 들여다볼 수 있는 기회가 되어 여러모로 흥미롭습니다. 본인의 경험에서 나온 경험칙에 의해 문제를 해결하는 부분들도 좀 보이고요. 분야가 달라도 엔지니어라면 재미있게 볼 수 있을 것 같습니다.
때마침 저도 오리지날 Magnavox 8600 콘솔 앰프 모듈을 하나 구하게 되었습니다. 1960년 생산품으로 추정되는 8601 버전입니다. 전체적인 상태는 나쁘지 않은데, 아마도 동작은 안할것 같습니다.

오래 된 기기는 무조건 전원 넣는게 아닌 법이라 아직 전기를 꽂아보지 않았습니다. 미국 전기(120볼트)를 써야하니 변압기(==도란스)도 구해야 하고.. 어쨌든 생산된 후 아무런 수리나 개조의 흔적이 없는 상태라서 이대로 동작을 한다면 나름 원본 그대로 가지고 있는것도 재미있을 것 같습니다. 감사하게도 사용자들이 제일 먼저 떼어버린다는 NFB 회로의 톤 조정회로 부품들도 모두 붙어 있습니다. 간단히 통전 테스트를 해보니 소켓과 전원 트랜스는 멀쩡한 것 같은데, 출력 트랜스와 몇몇 캐패시터들은 상태가 살짝 안좋은 듯 합니다. 좀 더 살펴보고 전원을 넣어볼 생각입니다. 제대로 동작하면 그냥 사용하고, 동작하지 않는다면 Dave의 글을 따라서 DGSE-1 회로로 개조를 해볼 생각입니다.
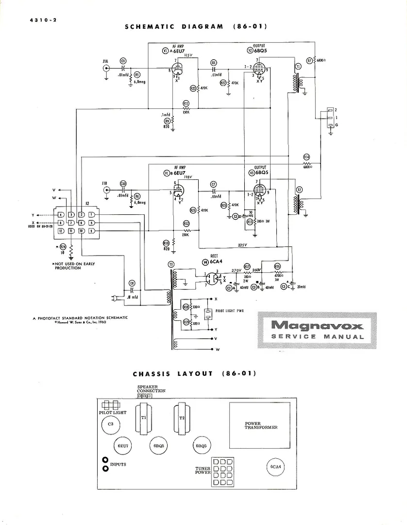
아래의 사진과 회로도를 참고하면서 글을 따라가보면 꽤 재미있을겁니다.


진공관은 좌측부터 6CA4 정류관, 6BQ5 출력관, 6BQ5 출력관, 6EU7 초단관. 초단관은 많은 부품들에 덮혀 잘 안보입니다.
우상단 샤시 뒷면의 3개 단자가 스피커 출력단자. 거기 연결된 선 2개는 각각 출력 트랜스에서 온 선이고, 함께 연결된 6.8k, 33k 저항과 하얀 캐패시터들은 NFB 회로입니다.
우하단의 RCA 입력단자에 붙은 누런 2개의 0.01uF과 그 밑에 깔려있는 6.8M 저항이 입력부, 그 좌측의 2개의 좀 크고 넙적한 0.01uF 2개는 6EU7과 6BQ5를 연결해주는 커플링 캐패시터들입니다. 각 6BQ5의 2번핀에 연결된 것을 볼 수 있습니다.
우상단의 네모난 구멍에 단자 4개 붙은 부품이 캔 형태의 평활 캐패시터, 큰 저항은 쵸크 대신 달려있는 저항입니다.
전원 회로는 제일 좌측 하단부의 정류관을 기준으로 보시면 간단히 파악이 가능합니다. 1번 핀과 7번 핀에 전원 트랜스에서 나온 AC가 연결되어 있고요, 3번 핀의 빨간선이 DC 270V가 나오는 곳입니다. 길게 연결되어 바로 평활 캐패시터로 가죠. 4번 핀과 5번 핀은 히터선이고 역시나 6.3V를 사용하는 다른 관들과 튜너 커넥터에 연결된걸 볼 수 있습니다.
재미있는건 샤시 곳곳의 접지점들입니다. 언뜻 봐도 샤시의 편리한 지점 4~5곳에 대충 납땜해서 접지점으로 사용하는게 보입니다. 일점 접지 따위는 무시.. 전원을 넣어보면 빈티지 앰프 특유의 험이 반겨줄것 같이 생겼습니다. ^^
이 아래부터는 Dave G가 작성한 글들의 요약입니다.
Magnavox Flea Power: Getting More Out Of The 8600 Series - A Lot More! (마그나복스 8600 최적화!)
Audiokarma Home Audio Stereo Discussion Forums
Home stereo and general audio discussion forums.
audiokarma.org
첫 글. 마그나복스 8600 시리즈에 대한 소개, 이 글의 대상 독자(싱글 엔디드 신봉자, 바이앰핑 하고싶은 분, 저렴한 비용에 진공관 앰프 입문 희망자, 오래된 콘솔 고치고 싶은 분 등등)가 누구인지 그런 일반적인 이야기들로 글이 시작됩니다.
8600은 싱글 앰프이므로 감도 좋은 스피커를 사용해야 제대로 사용 가능. (보통 90db는 넘어야 한다고 하죠) Dave 본인은 101db짜리 Cornwalls 쓰니 대략 안심이라고 합니다.
Dave는 다행히 잘 동작하는 8604 기기를 구하게 되었다고 합니다.
이 시리즈는 정확한 스펙을 구하기는 힘듭니다. 출력은 대략 3~5와트 정도 나온다고들 이야기 합니다. 출력 스피커는 4옴.
6BQ5의 데이타 시트를 찾아보니 싱글 모드에서 5.7와트까지 출력이 가능한 것으로 나옵니다. 여기에 출력 트랜스의 손실을 제하면 대략 4.6와트.
요즘엔 주로 8옴 스피커를 사용하니 4옴 스피커를 기준으로 설계된 상태의 이 앰프를 8옴에 꽂으면 실제 출력은 그 절반 정도라고 추정하면 될 것 같습니다.
4옴 부하 상태에서 1kHz를 인가해보니 2.3와트에서 클리핑이 일어나기 시작했고, 파워 밴드위스(-3db까지 떨어지는 지점)는 100Hz~20kHz.
몇가지 신호를 가해서 기본적인 동작 테스트를 해보니 어딘가 크게 고장난 앰프들에서나 볼 수 있는 그래프가 나왔습니다.
(그림 1) 8옴 부하를 사용하고 1kHz를 입력하니 1.35와트 즈음에 클리핑이 나타나기 시작, 게다가 상하 비대칭 형태의 클리핑이 나타납니다. 다른쪽 채널도 마찬가지.

(그림 2). 2kHz 구형파(square wave)를 인가한 모습. 이 대역의 구형파 처리 특성을 측정하는 이유는, 20kHz까지의 가청영역에 대한 과도응답 특성이 좋아야만 파형이 제대로 깨끗하게 나오기 때문입니다. 그림에서 보듯이 결과는 구형파라고 부르기 힘든 모습입니다. 한마디로 엉망입니다.

(그림 3). 10kHz 구형파를 인가한 모습.. 이건 뭡니까.. -_-?? 가청영역 밖의 특성을 이해하려는 측정 그래프인데, 앰프의 안정성을 위해서는 이 그래프가 예쁘게 나와야 합니다. .... 너무 심한 모양의 그래프가 나옵니다.

몇몇 싱글 앰프 신봉자들은 종종 "우리는 스펙을 듣는게 아니라 사운드를 듣는거다"라고 주장하며 이런 측정 결과를 심각하게 생각하지 않습니다만, 실제 들어보며 이들 그래프를 비교해보면 우리가 듣는 사운드는 스펙 그 자체라고 볼 수 있습니다.
어쨌든, 이걸 시작점으로 하여 간단한 수정들을 거쳐 아래와 같은 목표점을 이루어 보려고 함.
1. 40Hz~40kHz에 걸친 +0/-0.4db 의 주파수 응답
2. 파워 밴드위스를 90Hz~25kHz로 확장.
3. 8옴 스피커에 대한 중음대 출력의 300% 증가
4. 고음역의 과도응답 특성(구형파 모양) 개선
5. 안정성 개선
Impedance Mismatch: The Big Elephant In The Middle Of the Room (임피던스 매칭)
https://audiokarma.org/forums/index.php?threads/magnavox-flea-power-getting-more-out-of-the-8600-series-a-lot-more.665735/#post-8876263
제일 먼저, 요즘 일반적으로 사용하는 8옴 출력 위주로 수정하기 위해 출력 트랜스를 교체합니다.
전기적 특성 뿐만 아니라 기구적 특성을 고려하여 찾아보니 AES에서 판매하는 P-T31 트랜스( https://www.tubesandmore.com/products/transformer-output-8-w-single-ended )가 딱 맞아 떨어집니다. 가격도 $14로 저렴하고(지금은 $20이네요), 5k옴 입력에 8옴 출력. 8와트. (모델명이나 생긴건 해먼드사의 제품처럼 생겼는데, 시기별로 제작처가 다른 듯. 특성도 바뀌고 모양도 계속 바뀌는듯 하고요. 나중 버전은 너무 일찍 디스토션이 발생한다는 문제점을 보고한 회원도 있었는데, Dave가 직접 테스트를 해본 후에 특성은 거의 동일하니 그대로 이용 가능하다는 결론이 났습니다. 저렴하고 쓸만한 출력 트랜스 같습니다.)
기존 트랜스를 제거하고, 새 출력 트랜스들은 기존의 구멍들을 이용해서 부착 가능합니다. 배선이 한쪽으로만 나와있던 기존의 트랜스와는 달리 양쪽으로 배선이 나오기 때문에 구멍을 새로 뚫기 싫다면 한쪽의 배선을 반바퀴 돌려서 원래의 구멍으로 통과시키면 됩니다.
배선은 기존 배선이 붙어있던 자리에 그대로 붙이면 됩니다. (빨간선은 T형 스트립에 달린 B+점. 파란선은 각각의 6BQ5의 7번 핀에. 초록선은 NFB 부품들이 있는 T형 스트립의 센터 그라운드에. 검정선은 각각의 출력 터미널에)
(그림 1) 오리지널 출력 트랜스와 새 트랜스포머. 배선이 한쪽으로만 나와 있었는데, 새 트랜스는 양쪽으로 나와있음. 새 트랜스포머가 살짝 더 두꺼움.

(그림 2) 새 트랜스로 교체해도 잘 티가 안나서 메기 앰프의 아이덴티티를 유지 가능합니다.

(그림 3) 기존의 구멍으로 배선을 뽑아내기 위한 선 둘러치기

(그림 4) 칼같은 여유공간. Dave는 스피커 연결을 폰잭을 이용하기 때문에 우측의 빈 구멍들에 폰잭들을 설치하고 저렇게 배선했다고 합니다.

Feedback and Stability (피드백과 안정성)
https://audiokarma.org/forums/index.php?threads/magnavox-flea-power-getting-more-out-of-the-8600-series-a-lot-more.665735/page-3#post-8878484
다음 중요한 부분은 피드백과 안정성 부분.
기존 회로는 NFB부의 .1uF, .047uF, 33K등에 의해 매우 좁은 영역에 대해서만 16.5db의 피드백이 이루어지도록 되어 있습니다.
보통 처음 하는 개조로 이들 NFB의 톤 조정 부분을 떼어내는 경우가 많습니다. 결국 출력단자와 6EU7의 캐소드(4번 9번핀)에 6.8K 저항만 직접 연결되는 형태가 됩니다. 우리의 경우는 출력 트랜스를 교체했으므로 이 저항이 10k가 되어야 합니다. 이 NFB의 톤 조정 부분을 떼어내는건 매우 효과가 좋습니다만, 앰프의 안정성 면에서는 살짝 아슬아슬한 상황에 있게 됩니다.
NFB의 장점은 아래와 같습니다.
1) 디스토션 감소
2) 주파수 응답 평평하게
3) 내부 임피던스 낮게
4) 과도응답 특성 개선
이렇게 NFB에는 장점이 많지만, 핵심은 NFB를 "제대로" 가해야 한다는 점입니다. NFB가 부적절하게 설계된 경우에는 오히려 퍼포먼스를 깎아먹게 됩니다. 특히 제일 먼저 안정성이 무너지게 됩니다. 기존의 NFB의 톤 조정 부분을 제거한 후에 보통 6.8k 저항에 병렬로 작은 캐패시터를 연결하여 안정성을 개선하는 분들이 많았었습니다.
안정성 개선 작업은 아래의 순서대로 진행합니다.
1) 0.01uF 입력 캐패시터와 6.8M 저항을 6EU7의 그리드(5번, 8번)로부터 제거합니다.
2) 입력잭(+)과 그라운드 사이에 470k를 각각 연결한다. 6EU7의 그리드와 입력잭(+) 사이에 10K 저항을 연결한다.
3) NFB의 톤 조정 부품들을 제거한다. NFB 저항을 10K로 교체하고 300pF 캐패시터를 병렬로 연결한다.
4) 마지막으로 Zobel 네트웍. 47R 저항과 0.1uF 100V 캐패시터를 직렬로 각각의 출력잭과 그라운드 사이를 연결한다.
(그림 1) NFB의 톤 조정부 부품들을 떼어내고 나니 10kHz 구형파 응답 특성이 눈에 띄게 좋아짐. (출력 트랜스는 여전히 원래의 것을 사용) 물론, 과도응답 특성은 아직 개선의 여지가 있음.

(그림 2) 위의 상태에서 부하를 제거해 버렸을 때. 회로가 불안정해지는게 보임. 이 상태에서 아주 작은 캐패시터 부하만 있더라도 발진으로 이어짐. 청각적으로 매우 해로울 수 있습니다.

(그림 3) 새 출력 트랜스로 교체하고 10kHz 구형파를 입력했을 때. 과도응답 특성이 상당히 개선된 것이 눈에 띔.

(그림 4) 부하를 제거했을 때에도 안정성이 개선된 것이 보임.

(그림 5) 0.025uF 캐패시터 부하를 인가했을때에도 안정적. Dynaco MK III였다면 이미 발진했을 상황.

(그림 6) 현재까지 작업이 완료된 8604 앰프의 아랫면. 6EU7 관이 없어서 12AX7 방식으로 결선을 바꾼 것을 볼 수 있습니다.

The Output Stages And Other Relevant Issues (출력단 및 연관된 이슈들)
https://audiokarma.org/forums/index.php?threads/magnavox-flea-power-getting-more-out-of-the-8600-series-a-lot-more.665735/page-4#post-8881516
8600 앰프의 출력부의 디자인이야말로 앰프의 퍼포먼스를 깎아먹는 가장 중요한 부분입니다. 가장 큰 힌트는 저 위의 맨 첫번째 그림의 비대칭형 클리핑입니다. 출력 임피던스가 어떻게 변하건 클리핑은 상단부와 하단부가 대칭적으로 이루어져야 합니다. 푸시풀 앰프에서야 저렇게 비대칭형 클리핑이 일어날만한 이유가 많지만, 싱글 앰프에서는 딱 한가지 이유밖에 없습니다. 바로 동작점을 잘못 잡았기 때문입니다.
출력단의 분석에는 동작전압을 공급하는 전원부에 대한 분석도 함께 필요합니다. 회로도를 참고해보면 정류관을 지난 시점에서 DC 270V의 전압이 나옵니다. 첫번째 필터 부분에 의한 전압 강하(10볼트), 100옴 저항에 의한 전압강하 등등을 바탕으로 보면 270V에 100mA가 공급된다고 추정해볼 수 있습니다.
전체 공급전류 100mA 중 별도로 연결되는 튜너에서 대략 30mA 정도를 가져갈 것입니다. MPX 어댑터(윗면의 전원 공급 단자)를 달고 있는걸 보면 35mA정도로 추정하면 적당할 것 같습니다. 튜너의 정확한 스펙은 모르겠지만, 대략 앰프 자체가 사용 가능한 전류를 65~70mA 정도라고 보면 크게 틀리지 않을 것입니다.
각각의 출력관에 그 절반인 32.5mA가 각각 흐른다고 생각해봅시다. 스크린 그리드의 3.5mA를 빼주면 29mA 정도가 실제 출력관의 플레이트에 흐른다고 볼 수 있습니다.
다시 처음부터 생각해보면, 필터링에서 10V, 출력 트랜스에서 10V, 바이어스에서 6.5V를 고려하면 전체 270V 중에 243.5V가 출력관의 플레이트와 케소드 사이에 걸린다고 볼 수 있습니다. 그렇다면 29mA가 흐르니 각각의 출력관이 7.06 와트를 소모한다고 볼 수 있습니다. 네 뭐.. 출력관의 수명에는 매우 좋겠네요. 하지만 사운드 측면에서는 그닥입니다. -_-
통상 이야기 하기로, 출력관의 플레이트 소모전력의 45% 정도의 오디오 출력이 가능하다고 봅니다. 7.06와트를 대입해보면 각 채널은 3.18와트를 낸다는 겁니다. 출력 트랜스의 손실등을 고려하여 결국 출력은 그 81%로 줄어든다고 보면 예상출력은 2.57와트 정도 나온다고 볼 수 있습니다. 이는 실제 측정치인 2.3와트와 근접합니다. 결국 8옴 스피커에서는 그 절반인 1.15와트..
6BQ5(EL84)가 현재는 29mA로 동작중이지만, 부하 그래프를 살펴보면 전체 영역에 걸쳐 선형적인 출력을 얻어내기 위한 최적 포인트는 45mA 정도입니다. 하지만, 이 앰프의 설계 당시에는 튜너를 함께 사용해야 하기 때문에 그 정도의 전류공급이 불가능했을겁니다. 설계자들은 출력관의 사용 전류를 줄이기 위해 출력관의 바이어스를 올려버리는 방법을 택한 것 같습니다. 결과적으로 부하 그래프상의 중앙 부분에 동작점이 형성되지 않게 됩니다. 따라서, 파워를 올리다 보면 양 극단의 피크에 도달하는 시점이 달라져서 첫번째 그림과 같은 비대칭 클리핑 현상이 나타나게 되는 겁니다.
줄어든 전류상황에 출력관이 선형적으로 동작하도록 하려면 부하 임피던스를 높이면 되지만, 그러면 출력 파워가 더욱 떨어지게 되니 이 분들은 그냥 비선형성을 인정하고 대충 4옴 트랜스를 달아놓고 채널당 2와트로 만족하고 하루를 마친게 아닌가 싶습니다.
잃어버린 출력을 되찾기 위해 출력관의 동작점을 조정해야 합니다. 6BQ5는 보수적으로 보면 12W, 긍정적으로 보면 13.2W까지의 플레이트 전력이 가능합니다. 그리고 이제는 튜너를 연결해서 사용하는 사람은 없을테니 튜너용으로 남겨둔 30~35mA의 전류를 더 사용 가능합니다.
(2편에 계속)