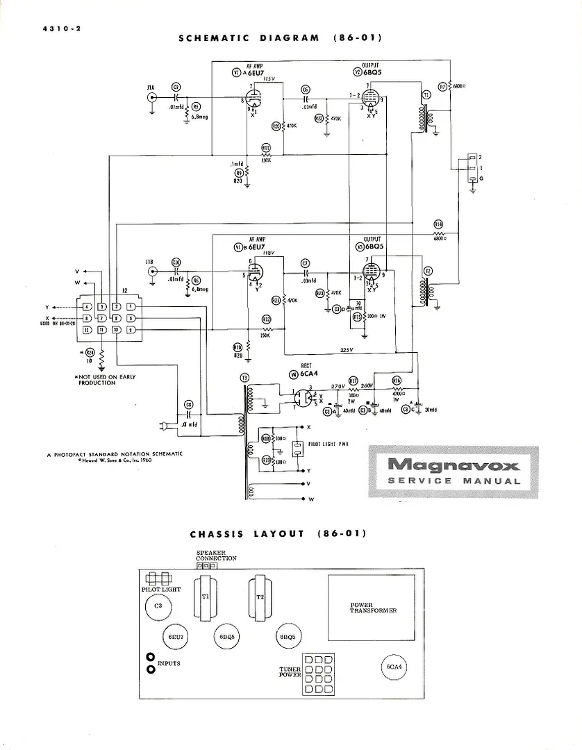
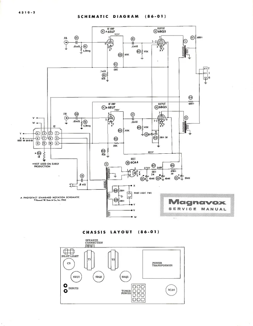
마그나복스 8600 기반의 EL84 SE 최적화 과정 (2/2)
역시 아래의 앰프 사진과 회로도를 참고하시며 보시면 재미있습니다.


Output Stage Modifications -- Pt 1 (출력단 개조. 파트1)
https://audiokarma.org/forums/index.php?threads/magnavox-flea-power-getting-more-out-of-the-8600-series-a-lot-more.665735/page-5#post-8883650
출력단과 관련된 문제들의 원인을 찾고나면 그 다음은 쉽습니다. 일단 새 출력 트랜스포머를 설치했으니 이제 필요한 전류의 양을 충분히 흘려주기만 하면 됩니다. ... 150% 정도 더 흘려주게 되면 예전에 달려있던 소형 출력 트랜스의 경우에는 문제가 생겼겠지만 새 트랜스는 충분히 잘 동작하고 8600은 드디어 "노래"를 하기 시작할겁니다.
출력단에 대한 나머지 작업들은 아래와 같습니다.
1. 전원부의 전압강하 저항인 4.7K 1W 저항을 1.5K 1W 저항으로 교체합니다.(참고로, 최종 회로에서는 820R로 다시 바뀝니다) 그리드 전압과 플레이트 전압의 차이를 만들어주는 저항인데, 개조된 회로에서는 플레이트-캐소드 전압차이가 250V이고 스크린-캐소드의 전압은 그보다 5V 낮습니다. 스크린 그리드는 5극관에 얼마만큼의 전류가 흐를지 결정해줍니다. 따라서 플레이트의 부하 요구조건이 출력 트랜스와 맞도록 해주어야 합니다. 스크린 그리드에 245V를 주면 최적화된 회로가 됩니다.
물론 이 변화는 증폭단의 B+전압에 변화를 주게 되는데, 바이어스도 이에 따라 함께 조정되므로 큰 관계 없습니다. 결과적으로 증폭단은 원래의 회로에 비해 왜곡 없이 더 큰 신호를 드라이브 해서 출력단으로 보낼 수 있게 됩니다.
2. 두 출력관의 캐소드에 연결되어 있는 공통 캐소드 저항을 제거합니다. 전원부의 깡통 캐패시터에 연결되어 있는 캐소드 바이패스 캐패시터도 제거합니다. 이 캐소드 바이패스 캐패시터가 이 앰프의 주요한 험 노이즈의 원인입니다. 깡통 캐패시터가 샤시에 접지가 되어 있기 때문입니다. 전원 트랜스의 출력 전압의 센터 탭도 역시 그라운드 되어 있고요. 그라운드 루프가 형성됩니다.
이 구조는 전원부에서 미처 평활되지 못한 리플 전류가 샤시를 통해 깡통 캐패시터 등 샤시 곳곳으로 전압강하와 함께 전달되도록 되어 있는 정말 끔찍한 구조입니다. 그라운드 루프를 끊기 위해서는 출력 전압의 센터탭을 현재의 접지점에서 떼어내어 바로 깡통 캐패시터에 접지시키면 됩니다. 이렇게 하면 리플 전류가 샤시로 흘러들어가지 않습니다. 그리고, 두 출력관의 그라운드는 출력관 사이의 러그를 이용하도록 배선합니다.
3. 각각의 출력관 캐소드 터미널(3번 핀)과 접지 러그 사이에 120R 1/2W 저항을 연결합니다. 100uF 16V 캐패시터를 역시 병렬로 연결합니다. 캐패시터는 당연히 (-)쪽이 그라운드 쪽으로 배선해야 합니다.
캐소드 저항값이 이런 류의 다른 앰프에 비하면 조금 작은 값입니다. 보통은 200에서 300R 정도를 사용하죠. 그런 값을 사용하면 출력관을 오버 바이어스 하게 되고 앞서서 보았던 것과 같은 비대칭형 클리핑이 나타나게 됩니다.
이쪽 바닥에 전해 내려오는 속설에 출력관의 전류는 줄여줄수록 좋다는 말이 있습니다. 진공관의 수명을 연장해주며, 음질에 영향을 주지 않으며, 현대의 높은 라인 전압에 대응 가능하다 등등등... 이런 속설이 푸쉬풀 앰프에 이르면 매우 건전하게 적용되지만, 한톨의 파워가 아쉬운 싱글 앰프에서는 매우 틀린 생각입니다. 충분한 양의 전류는 최대한의 출력과 적은 디스토션을 위한 필수요소입니다. 진공관을 오버 바이어스나 언더 바이어스 상태에 놓이게 하면 동작점이 최적의 지점에서 이동하게 되어서 플레이트의 신호 스윙 범위가 그래프의 한쪽이나 다른쪽에서 잘리게 되는데, 어떤 경우에던 좋지 않습니다.
120R의 저항은 앰프의 출력관에 최적화 된 적절한 바이어스를 제공합니다. 이 저항값은 조용한 상태에서 플레이트 전류를 44ma로 유지하게 해주고 최고 출력에 가까와 지거나 넘어가게 되면 대칭적인 클리핑이 일어나도록 해줍니다. 그리고 전체 동작 영역에서 클래스 A 동작을 하도록 해줍니다. 앰프의 출력이 0부터 시작해서 최고점까지 커지는 동안 캐소드의 전압에는 거의 변화가 없게 됩니다. 이것은 앰프의 모든 동작 범위 내에서의 거의 완벽하게 일정한 전류가 흐른다는 의미인데, 의미론적으로 클래스 A 동작의 핵심이 바로 이 부분입니다. 이는 이 개조 작업에서 전원부에 대형 저장소(대형 캐패시터 사용)를 쓸 필요가 없는 이유가 됩니다. 앰프가 끌어들이는 전류는 출력의 크기에 상관 없이 언제나 거의 일정합니다. 채널당 47.5ma가 거의 일정하게 흐릅니다.
출력관 자체에 대해 보자면, 플레이트-캐소드 전압은 250V, 이것은 정확히 11W인 플레이트 소모 전력과 일치합니다. 더 큰 파워, 적은 디스토션. 여기에 새 출력 트랜스 등등 300+% 증가된 파워의 원천입니다. 1960년쯤 만들어진 진공관의 Design Maximum 표준 기준에 비교해 83% 정도에 동작하는 셈이 됩니다. 요즘에도 벤치마킹에 이용하는 기준인 80%과도 근접하는 셈입니다. 요약하자면, 진공관은 매우 안전한 상태에서 동작하게 됩니다. Maggie 앰프의 잠재력이 최대치가 되는거죠.
전체 소모 전류는 100ma 살짝 아래..
Output Stage Modifications -- Pt 2 (출력단 개조. 파트2)
https://audiokarma.org/forums/index.php?threads/magnavox-flea-power-getting-more-out-of-the-8600-series-a-lot-more.665735/page-5#post-8883685
4. 기타
A. B+ 필터링: 전원부의 100R 2W 저항을 해먼드 156R 쵸크로 교체합니다. 정밀하게 바이어스 된 출력단은 필연적으로 예민해지게 됩니다. 특히나 B+ 전압의 필터링 에 매우 예민해지게 됩니다. 저항만을 사용한다면 120Hz 험을 없앨 방법이 없습니다. 특히나 감도가 높은 스피커에서는 이 험이 더욱 거슬리게 들립니다. 저항을 쵸크로 교체하면 매우 깨끗한 출력을 얻을 수 있게 됩니다. 해먼드 156R 쵸크는 DC저항이 56R이기 때문에 저항을 사용할 때보다 좀 더 높은 B+ 전압을 얻게 되는 장점도 추가됩니다.
B. 히터 바이어스 : 2개의 100R 저항을 히터 배선 사이에 연결해 가성 접지점을 만들어 이걸 가까운 출력관의 캐소드(3번 핀)에 연결해줍니다.(보통은 그냥 접지를 해버리죠) 이를 통해 히터 전압에 대략 5.7V 정도의 바이어스를 주게 되고 이는 증폭단의 진공관 내의 히터/캐소드 사이에 발생할 수 있는 험 노이즈를 최소화 하는데 큰 도움을 줍니다.
C. AC 전압 조정 : 놀고 있는 튜너용 히터 권선을 1차 권선에 직렬시킵니다. 검정색 라인과 브라운/노랑 히터 라인을 연결해버리고, 외부 AC 전압은 갈색/검정 선과 갈색선 사이로 들어가도록 배선해주면 됩니다.
현대의 AC 121V 전압에 대해 거의 완벽한 보정을 해준...... (이 부분은 미국 전기 이야기라 잘 모르겠습니다. 가정용 전기의 전압이 예전과 지금이 다른건지..... 암튼 이렇게 해주면 6.36V의 히터 전원과 정류관 출력이 거의 정확히 273V가 된다고..)
그리고, 안전을 위해 1A짜리 퓨즈도 설치해줍니다.
D. 저역 응답 특성 : 커플링 캐패시터를 0.1uF로 바꿉니다. 이보다 낮은 캐패시터는 NFB 회로상의 변화와 트랜스 자체의 특성에 의해 30Hz 즈음에 저주파 bump를 낸다고..
(그림 1) 8옴 부하에 1kHz로 RMS 3.65W를 냅니다. 원래의 회로와 비교해서 청음을 해보면 그 차이는 충격적일 정도입니다.

(그림 2) 4와트 출력. 클리핑이 시작되지만 상하 대칭형인 것을 알 수 있다. 기존의 잘못된 높은 바이어스 설정에 의한 비대칭 클리핑의 문제가 해결되었음을 알 수 있다.

(그림 3) 타임랩스 촬영을 해봐도 출력관에 무리가 간다거나 하는 징후는 보이지 않는다.

(그림 4) 완성된 앰프의 아랫쪽.

(그림 5) 완성된 앰프의 모습. (튜너용 커넥터 자리에 쵸크가 설치됨)

이 글에서는 낡은 앰프를 오늘날의 하이파이 환경에서 제대로 동작하도록 하기 위해 효율을 높이고 수정하는 일을 해왔습니다. 선호하는 진공관 브랜드나 부품들이 있다면 맘껏 쓰셔도 됩니다. 여기에서 한 작업은 오직 디자인과 회로 수정에 의한 음질 개선에 한했으니..
첨언) 그동안 이 앰프에 대해 굉장히 많은 수정 작업들이 있어왔는데, (칭송 받는 RH 앰프들 포함), 아직까지 이 글에서 적용했던 수정 작업들에 대해 모두 적용을 했던 경우가 없었다는데 놀랄 따름입니다.
최적의 성능을 내도록 개조하는 과정은 유기적으로 연결된 연속 작업입니다. 중간에 하나의 과정이 틀어지면 결과물도 최적에서 멀어지게 됩니다. 특히나 한정된 범위 내에서 작업해야 하는 이런 좁쌀만한 앰프의 경우에는 이 점이 특히나 중요합니다. 이 과정에서 도달하게 된 음질의 개선 정도에 대해 솔직히 저도 깜짝 놀랐습니다.
다음 글에서는 느낀점들, 퍼포먼스 개선 결과, 회로도 등을 적도록 하겠습니다.
Dave
Schematic and Final Comments (회로도와 마지막 소회)
https://audiokarma.org/forums/index.php?threads/magnavox-flea-power-getting-more-out-of-the-8600-series-a-lot-more.665735/page-6#post-8885716
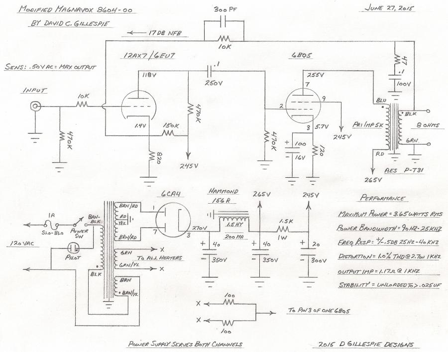
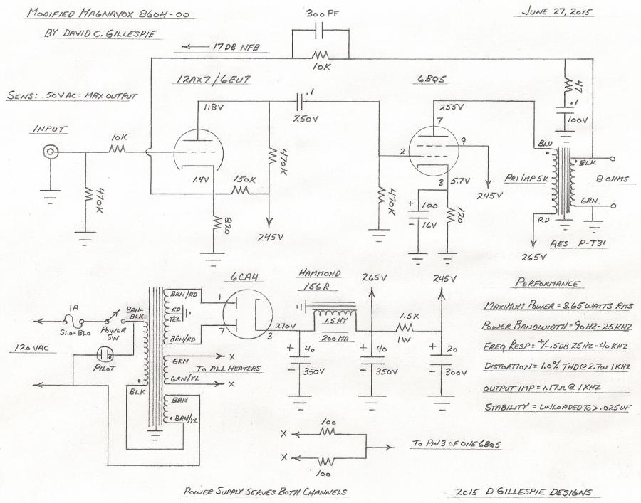
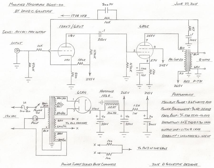
약속대로 회로도입니다.
손자에게 주고 싶어 시작했던 간단한 프로젝트였는데, 그 자신만의 생명력을 가지게 되었습니다. 예전에 언급했듯이 개선된 사운드의 퀄리티에 매우 놀랐습니다. 이 앰프가 궁극적인 작은 엔진으로 변화하는 이유를 이해할 수 있었습니다. .....(등등 지은이의 소회는 생략)
이 회로를 기반으로 마음껏 실험을 하셔도 됩니다. 하지만, 각각의 부품들의 값들은 특별한 이유에 의해 선택된 값들이고 그들을 변경할 때에는 그에 수반되는 결과들을 보고 역시 다른 부분들을 수정해줘야 합니다.
예컨대 12AX7의 그리드 스톱 저항을 240으로 쓰시고 싶으시다면 좋습니다. 하지만 앰프의 안정성 특성이 변화하게 되니 이에 대한 조치가 필요할 것입니다. (등등등 그런 류의 내용들이 적혀있음. 웬만하면 회로 그대로 쓰는게 괜찮지만, 어딘가 바꿨다면 그에 연관된 부분들의 특성을 측정하고 함께 바꾸는 수고를 아끼지 말라는 말들...)
개조의 결과는 자연스럽게 매우 고퀄입니다. 빈티지 콘솔 특유의 특징들(중음대가 강조되고, 고음이 깎인) 그런 소리와는 거리가 먼 하이파이 음입니다. 이 앰프는 전 음성 대역에 대해 균일한 응답을 보여주며, 놀라운 저음, 매끄러운 중음, 음원의 디테일을 모두 느낄 수 있게 해줍니다. 프리앰프 등의 음색 변화에 익숙한 분들이라면 이런 플랫한 음색이 어색할수도 있습니다만, 앰프 자체는 매우 플랫하고 밸런스 잡힌 특성을 보여줍니다.
마지막으로, 볼륨을 달고 싶으신 분들이 있을텐데요, 3극관 입력을 가진 거의 모든 진공관 앰프들은 낮은 임피던스의 음원들(액티브 프리앰프, 혹은 SS 소스에서 제공 가능한)이 연결되어 있을때 최고의 퍼포먼스를 보여줍니다. (볼륨 달지 말고 그냥 프리앰프 쓰시라는 이야기)
끝! 즐기세요.
Dave

(주저리 주저리..... 잔소리가 많습니다.. 생략합니다 ^^)
추가사항들..
1. 스크린 그리드 전압 조정 : 입력신호가 조용할 때, 스크린 그리드와 플레이트 전압이 모두 캐소드 전압보다 250V 높게 설정되어 있습니다. 캐소드 전압이 6V 정도에 동작하기 때문에 출력 트랜스의 1차 권선쪽이 10V 정도 강하가 되니, 출력 트랜스에 공급되는 B+ 전압이 회로도와 같이 265V가 되어야 합니다. 전원이 인가되고 워밍업이 되고 나면 출력 트랜스의 전압 강하가 살짝 증가하게 됩니다.
뭐 이런 저런 이유로(생략합니다. 원글을 읽어보시길) 전원부의 전압강하 저항 1.5K는 820R 1W로 바뀌어야 합니다.
2. 바이어스 조절회로 추가 : 모든 진공관의 특성은 조금씩 다르기 때문에 캐소드 저항 120R에 50R짜리 포텐셔 미터를 달아 120R에 걸리는 전압을 최적점인 5.85V가 되도록 조절이 가능하도록 했습니다. (나중에 회로도에 나옵니다. 자세한 설명은 본글을 보시길.. 굳이 바이어스 조절용 포텐셔미터를 달지 않아도 앰프는 충분히 멋진 퍼포먼스를 보입니다. 본인의 설계상의 완벽성을 위해서 달았다고.. 파일럿 램프 자리에 테스팅 포인트를 마련했다.. 그런 말들이 적혀 있습니다. 참고로 5.85V/120R= 48.75mA)
3. 초단관 쉴드 : 오리지날 마그나복스 8600 샤시에서는 초단관과 좌측 출력관이 너무 가깝게 붙어있기 때문에 전자파 간섭이 있습니다. 따라서 진공관 쉴드를 하나 달아주니 한결 나아졌습니다.
정말 끝! 이 프로젝트는 이제 정말 완료입니다. 적어도 제 입장에서는.. 각 채널은 클리핑 일어나기 지적까지 채널당 RMS 4W의 깨끗한 출력을 내줍니다. 원래의 앰프에 비교하면 대단한 개선입니다.
몇몇 사진들입니다.
(그림 1) 앰프의 아랫면. 바이어스 조절 기능이 추가됨. B+전압강하 저항이 820R로 바뀜. 그 외에는 큰 변화 없으나, 자세히 보면 앰프 윗면 후방의 파일럿 램프 슬롯은 바이어스 테스팅 포인트로 배선한 것을 알 수 있다.

(그림 2) 파일럿 램프 터미널이 테스팅 포인트로 개조된 모습.

(그림 3) 바이어스 조정을 위해 짧은 샤프트의 포텐셔미터를 사용. 고무발을 달아 환기가 원활하게 함.

(그림 4) 완료! 덩치에 비해 월등히 거대한(!) 퍼포먼스. 조용하고, 안정적이고, 다이나믹하고 디테일하면서도 채색되지 않은 원초적인 사운드를 들려줍니다. 청취가 즐거운 앰프가 됨.

Updated Schematic (회로도 업데이트)
https://audiokarma.org/forums/index.php?threads/magnavox-flea-power-getting-more-out-of-the-8600-series-a-lot-more.665735/page-15#post-8964432
앞서의 Epilog에서 언급한 전원부의 전압강하 저항값의 수정, 바이어스 조정부가 추가된 회로도입니다.

아래는 다른 게시물인데, Dave G가 썼던 글들 중에서 피와 살이 되는 좋은 글들만 따로 모아놓은 글타래입니다. 심심하실때 살살 읽어보시면 재미난 내용들이 많습니다.
Dave's G's well spoken info.
https://audiokarma.org/forums/index.php?threads/daves-gs-well-spoken-info.669567/