겉모습은 보통 텔레와 같습니다만,
12가지 톤 조합이 가능하도록 작업을 해봤습니다.

텔레의 다양한 모디 방법들
보통 텔레캐스터의 와이어링을 모디 할 때에 많이 사용하는 방법들은 아래와 같습니다.
- 4단 스위치 모디 : 제일 많이 하는 모디죠. Oak-Grigsby의 4단 스위치를 이용해서 두 픽업의 직렬 연결을 추가한 방식.
리어-병렬-직렬-프론트 , 혹은 리어-병렬-프론트-직렬 [배선도] - 5단 스위치 모디 :수퍼 스위치를 이용한 5단.
리어-직렬(페이즈아웃)-병렬-직렬-프론트 [배선도] - 페이즈 아웃 스위치 추가: 스위치를 켜면 페이즈 아웃. [배선도]
- 직접 출력 모디 : 스위치를 켜면 픽업 신호가 볼륨과 톤을 거치지 않고 출력.
- 50년대 레스폴식 톤 배선 : 톤 배선이 볼륨의 입력단이 아니라 출력단에 연결되는 좀 더 투명한 배선 방식. [배선도]
위의 내용들을 참고해서 장점들을 모두 적용할 수 있도록 프리웨이 스위치 + 50년대식 톤 배선 + 직접 출력 모디 방식을 작업해봤습니다.
프리웨이 스위치!
프리웨이 스위치는 일반 3단 픽업전환 스위치와 외관상의 차이 없이 위아래 움직임을 추가하여 더 다양한 톤을 사용할 수 있게 해주는 스위치입니다.
프리웨이 스위치는 스트랫용과 텔레용, 레스폴용이 있는데, 스트랫용은 5단+5단이라 총 10단인데 안쓰는 톤도 많고 뭔가 좀 과한 면이 있고, 레스폴용은 실제 사용상 뭔가 좀 헛갈립니다. 텔레캐스터용 프리웨이 스위치는 딱 적당하고 좋은 느낌입니다. 4단 스위치 모디나 5단 스위치 모디의 모든 기능들을 더 편리한 방식으로 모두 사용 가능하게 해줍니다.

보통의 3단
리어, 병렬, 프론트..
별 일 없으면 평상시와 같이 사용하면 됩니다.
너무 당연하니 사운드 샘플은 생략합니다.

재미난 3단
재미난 톤들을 사용하려면 스위치를 위로 들어 올리면 됩니다. "딸깍!"하고 기분 좋은 느낌과 함께 전환이 됩니다.

아래는 각 단의 사운드 샘플.. 전반은 생톤, 후반은 튜브 스크리머 밟은 소리입니다.
리어.. 병렬 페이즈 아웃. 피터 그린 풍의 할로우한 톤입니다.
미드.. 직렬 페이즈 아웃. 꽥꽥거리는 재미난 톤입니다.
프론트.. 직렬. 이게 보통 4단 스위치 모디에서 즐겨 사용하는 큰 출력의 직렬 연결 톤입니다. 솔로에서 쓰기 좋습니다.
50년대식 톤 배선
회로상에서의 톤팟의 위치를 볼륨 팟의 앞쪽에서 뒷쪽으로 옮겨주는 배선 방식인데, 50년대에 깁슨에서 사용하던 방식입니다. 지금도 59 등 리이슈들은 이렇게 배선이 되어 있습니다. 텔레캐스터에 적용이 가능하고 효과도 좋습니다. ==> [설명 페이지]
위 설명 페이지의 중반쯤에 나오는 50년대식 톤 배선 방식의 장점에 대한 설명을 번역기를 돌려봤습니다.
1. 전체적인 톤이 더 강하고 단단하며 투명해집니다. 설명하기는 어렵지만 "얼굴이 더 밝아졌다"고 말할 수 있습니다.
2. 볼륨을 롤백할 때 발생하는 일반적인 고음 손실이 표준 배선보다 훨씬 적습니다. 볼륨과 톤 컨트롤 모두 반응성이 향상되고 일반적인 핫스팟 없이 더 부드럽게 반응합니다. 또 다른 보너스: 기타 볼륨을 약간만 롤백하면 믹스에서 손실 없이 오버드라이브된 앰프를 정리할 수 있습니다.
3. 톤과 볼륨 컨트롤은 서로 상호 작용하며, 이는 특정 트위드 시대의 펜더 튜브 앰프에서 익숙하게 볼 수 있는 기능입니다. 볼륨을 변경하면 톤도 약간씩 바뀌고 그 반대의 경우도 마찬가지입니다. 처음에는 이상할 수 있지만 몇 분만 지나면 익숙해집니다.
하나 더!
위의 프리웨이 스위치에 더해 기능을 하나 더 넣었습니다. 톤 노브를 땡기면 픽업의 소리가 볼륨과 톤 회로를 모두 건너뛰어 출력이 됩니다. 일종의 픽업 트루 바이패스라고나 할지.. ^^

볼륨과 톤을 모두 10으로 놓으면 똑같은거 아니냐 생각할 수 있지만, 전혀 그렇지 않습니다.
음량도 커지고 고음도 강해져서 마치 트레블 부스터를 켠 것과 같은 효과가 납니다. 기타의 노브들, 특히 볼륨 노브가 얼마나 톤을 깎아먹고 있었는지 이걸 해보면 알 수 있습니다. "솔로 스위치"나 "트루 바이패스 스위치"라고 부르는게 이해가 편할것 같습니다.
프리웨이 스위치에 의해 선택되는 6개의 톤 모두에 대해 직접 출력 옵션이 하나씩 늘어나 도합 12개의 톤에서 고를 수 있게 됩니다.
특히 이 스위치가 유용한건 6단의 직렬 연결 상태에서입니다. 직렬 연결이기 때문에 음량은 커지지만 회로적으로는 일종의 험버커가 되는거라 고음이 살짝 깎이게 되는데, 이때 볼륨과 톤 회로를 제거하면 고음이 상당 부분 늘어나기 때문에 솔로 연주하기가 굉장히 좋아집니다.
샘플.. 앞부분은 리어 픽업, 뒷부분은 리어 픽업에 바이패스를 켠 상태입니다. 전체적인 음량과 고음이 증가하는걸 볼 수 있습니다.
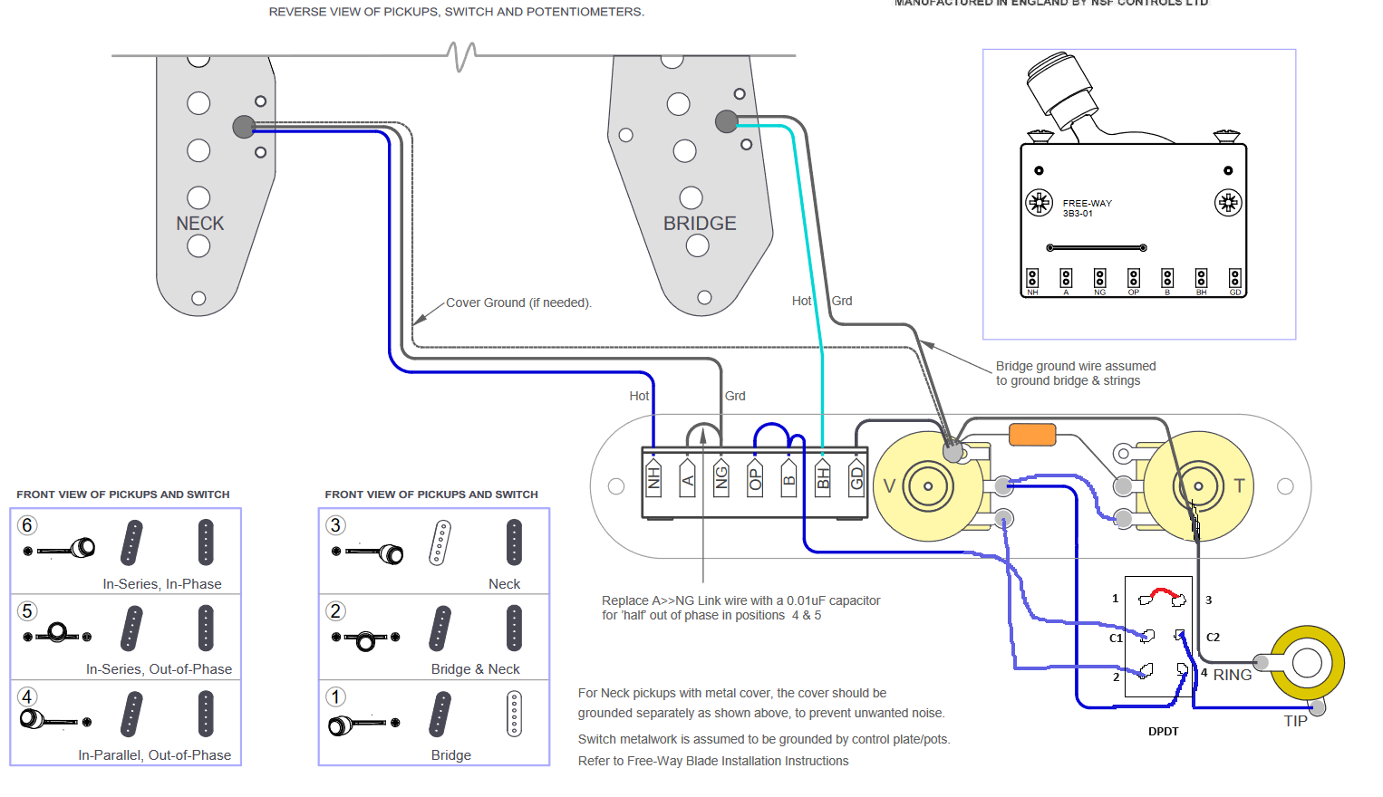
배선도
프리웨이 스위치의 배선도를 기반으로 배선도를 그려봤습니다.
프리웨이 스위치 + 50년대식 톤 배선 + 트루 바이패스(?) .. 이렇게 3가지를 모두 포함합니다.
생각보다는 단순합니다.

푸쉬풀 스위치는 신뢰의 CTS. 사실 CTS의 푸쉬풀 팟은 처음 써봤는데, 튼튼하게 생긴건 마음에 드는데 단자 구성이 일반적으로 쓰던 푸쉬풀 팟과 상당히 달라 처음엔 살짝 당황스러웠습니다. 헛갈리지 않게 위의 배선도에 핀 단자 번호를 적어두었습니다.

작업 과정
일단 픽업의 접지선을 분리해야 합니다.
텔레의 프론트 픽업에는 커버가 달려 있는데, 이 커버의 접지선이 출력선의 검정 선과 연결되어 있습니다.
픽업들을 직렬/병렬 연결 시키고 페이즈 아웃 시키고 하다보면 접지선과 신호선을 서로 바꿔줘야 하기 때문에 커버의 접지선은 아래와 같이 끊어줘야 합니다. 그리고 나서 별도의 접지선을 따로 연결을 해줘도 되고 안해줘도 큰 문제는 없습니다. 저는 그냥 안해줬습니다.

아래와 같이 패널 작업을 마쳤습니다.
프리웨이 스위치와 CTS 푸쉬풀 팟이 모두 크기가 꽤 큽니다.
멕펜 로드원 텔레의 캐비티가 조금 작은 편이라 프리웨이 스위치를 넣으면 구멍 위치가 살짝 어긋납니다만.. 뭐 그냥 나사를 살짝 비스듬히 넣으면 됩니다.

아래 사진의 좌측은 이번에 작업한 패널입니다. 우하단은 로드원 텔레의 원래 패널, 우상단은 에스콰이어 Eldred 회로로 구성한 패널.. (에스콰이어 Eldred 모디에 대한건 따로 글을 써볼까 싶기도 합니다. 이번에 작업한 패널도 만족도가 높지만, 에스콰이어 Eldred 모디한 패널도 픽업을 한개만 쓰는데도 불구하고 정말 만족도와 활용도가 높습니다.)
그날 그날 기분에 따라 맘에 드는 패널로 교체하고 납땜 없이 연결해서 쓰면 되니 편리합니다. 텔레캐스터가 스트랫보다 이런 면에서 월등히 편리합니다. 스트랫은 줄 풀고 픽가드 떼어내고 그러고 교체해야 하는데, 텔레는 그냥 콘트롤 패널만 갈아주면 됨.

마치며..
작업을 해놓고 합주를 해보니, 가장 많이 쓰는 사용법은 리듬 연주할때 볼륨 노브와 톤 노브를 이용해서 일종의 프리셋을 잡아놓은 톤을 쓰다가 솔로에서 푸쉬풀 스위치를 딱 땡겨서 솔로 치고, 다시 스위치 눌러 리듬톤으로 돌아가고 보통 그렇게 쓰게 됩니다.
페이즈 아웃 톤도 꽤 쓸만 합니다. 소리가 너무 크거나 무겁지 않고 벙벙대지도 않아 부담스럽지 않으면서도 합주시에 묻히지 않아서 리듬 연주나 살짝 간주 치고 하는 부분에서 쓸만합니다. 예전 모타운의 앨범들에서 페이즈 아웃 톤이 많이 쓰이는 이유를 알겠습니다.
여담이지만, 픽업 직출(==트루 바이패스)는 꼭 접해보시는게 좋을것 같습니다.
얼마나 톤이 박진감 넘치고 좋은지 제 텔레는 한동안 계속 이런 상태로 사용했더랬습니다. ^^
